CIP洗濯装备系列
用途及性能:
CIP洗濯系统俗称就地洗濯系统被普遍的用于制药、食物、饮料、乳品、果汁、果浆、果酱、酒类等机械化水平较高的生产企业中。就地洗濯简称CIP,又称洗濯定位或定位洗濯(cleaning in place)。就地洗濯是指不必拆开或移动装置,即接纳高温、高浓度的洗净液,对装备装置加以强力作用,把与物料的接触面洗净,对卫生级别要求较严酷的生产装备的洗濯、净化。
特点:
1、CIP洗濯系统能包管一定的洗濯效果,提高产品的清静性;
2、节约操作时间,提高效率;节约劳动力,包管操作清静;
3、节约水、蒸汽等能源,镌汰洗涤剂用量;
4、生产装备可实现大型化,自动化水平高;
5、延永生产装备的使用寿命。
6、全自动CIP洗濯系统,能对洗濯液举行自动检测.加液.排放.显示与调解,对其运行可靠,自动化水平高,操作简朴,洗濯效果好,因而更切合现代大规模流体药品、食物加工工艺的卫生要求及生产情形要求。
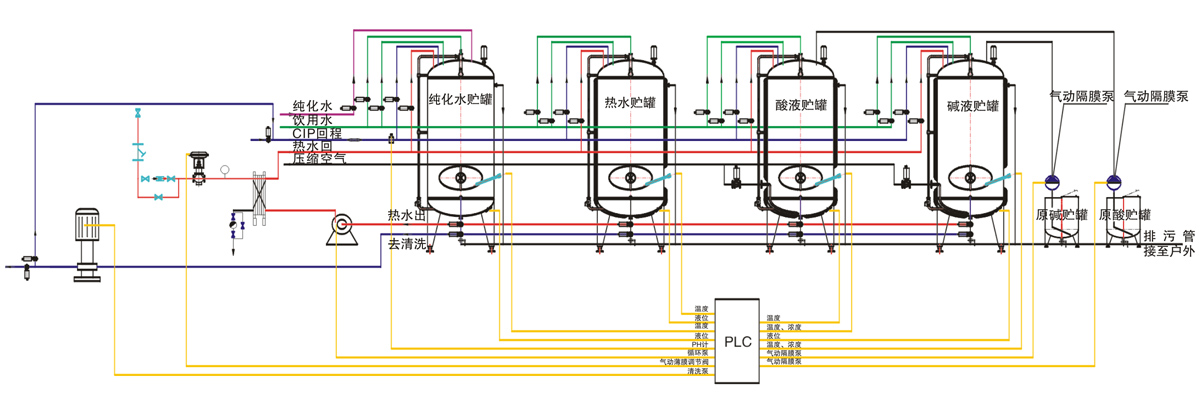
CIP洗濯系统的组成:
清水罐、热水罐、酸液罐、碱液罐、原酸罐、原碱罐、板式换热器、洗濯泵、循环泵、过滤器、气动隔膜泵、酸/碱浓度计、PH计、辖档同接受路和电气控制系统。
种类:分为手动型、半自动型和自动型
规格型号及主要手艺参数
| 参数/规格型号 | CIP500 | CIP1000 | CIP1000 | CIP10000 |
| 原酸罐容积 (L) | 50 | 80 | 100 | 200 |
| 原碱罐容积 (L) | 50 | 80 | 100 | 200 |
| 酸液罐容积 (L) | 500 | 1000 | 2000 | 10000 |
| 碱液罐容积 (L) | 500 | 1000 | 2000 | 10000 |
| 热水罐容积 (L) | 500 | 1000 | 2000 | 10000 |
| 清水罐容积 (L) | 500 | 1000 | 2000 | 10000 |
| 循环泵 (T/h) | 1.5 | 3.0 | 5.0 | 20.0 |
| 洗濯泵 (T/h) | 3.0 | 5.0 | 10.0 | 20.0 |
| 换热器 (m2) | 3.0 | 5.0 | 7.0 | 15.0 |
以上型号仅供参考,可按用户要求举行非标定制
